欢迎访问绍兴上虞科大机电有限公司官方网站!
设为首页
加入收藏
网站首页
公司简介
授权书
产品中心
新闻中心
成功案例
联系我们
1
2
3
—
产品列表
—
PRODUCTS LIST
+ 离心式箱体风机
- HTFC-I、II型柜式离心风机
- HTFC-V型柜式离心风机
- BF型风机箱
- GDF型离心式管道风机
+ 轴流(混流、斜流)风机
- HTF型轴流式消防排烟风机
- SZF型轴流风机
- GXF型斜流风机
- PYHL-14A型轴流式消防排烟风机
- SWF型混流风机
+ 屋顶风机
- HTF-W型轴流式消防排烟风机
- DWT-I型轴流式屋顶风机
+ 风阀及配件类
- 防火阀
- 排烟阀
- 排烟防火阀
产品详情
/ PRODUCT DETAILS
您现在的位置:
网站首页
>
产品中心
>
轴流(混流、斜流)风机
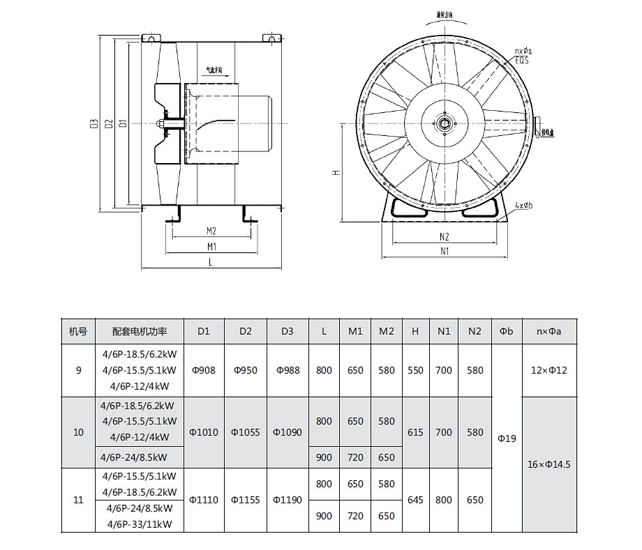
> HTF型轴流式消防排烟风机